高压无脉动流大流量柱塞泵

-
产品详细介绍
日本NS精密科学,NP-GXL-100高压无脉动流大流量柱塞泵
日本NS精密科学,NP-GXL-100高压无脉动流大流量柱塞泵
日本NS精密科学,NP-GXL-100高压无脉动流大流量柱塞泵
日本NS精密科学,NP-GXL-100高压无脉动流大流量柱塞泵
高圧無脈流大流量プランジャーポンプ
NP-GXL Series |
 |
|
■ 特長:
- 大流量
最大1000ml/min.まで大流量送液できます。
- 圧力センサーが内蔵(上下限リミッター設定可能)
- 高圧送液
最大50MPaの高圧下での定量送液。
- 長時間送液
1000時間以上の連続運転
- 簡単操作
流量の設定・変更が運転中でも可能
- コンパクトの設計
- 選択できる外部入力による運転
RS232C、DC 1~5V
- 多用途
超臨界実験、プラント、触媒反応などの実験には最適です。
-
|
 |
| ■ 詳細仕様: |
| 型式 |
NP-GXL-100 |
NP-GXL-200 |
NP-GXL-400 |
NP-GXL-1000 |
NP-GXL-100U |
NP-GXL-200U |
NP-GXL-400U |
NP-GXL-1000U |
流量(ml/min.)
Flow Rate |
1~100 |
2~200 |
4~400 |
10~1000 |
1~100 |
20~200 |
4~400 |
10~1000 |
吐出圧力(MPa)
Delivery Pressure |
50 |
35 |
30 |
10 |
10 |
5 |
3 |
2 |
接液部材質
Watted Part Material |
SUS316、ルビー、サファイア、セラミックス、テフロン
SUS316、Ruby、Sapphire、Ceramics、Teflon |
PEEK、ルビー、サファイア、セラミックス、テフロン
PEEK、Ruby、Sapphire、Ceramics、Teflon |
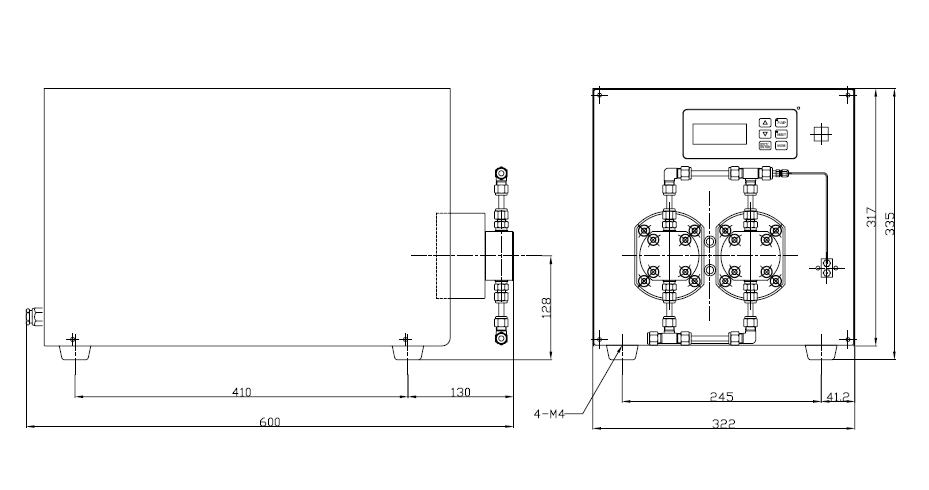
外形寸法(mm)
Dimensions |
322(W)×335(H)×600(D) |
重量(kg)
Weight |
53 |
電源
Power Requirements |
AC 100V 10A |
入力信号
Input Signal |
RS232C、DC 1~5V、Brake、Start/Stop |
|
| ■ ポンプ本体外形寸法図 |

|